新闻动态

  • 压力表的基础知识分享及怎么选择合适的压力表

    工作原理: YQK-YJ系列压力表通过表内的敏感元件(波登管、膜盒、波纹管)的弹性形变,再由表内机芯的转换机构将压力形变传导至指针,引起指针转动来显示压力。

    2022-05-17 必威体育在线注册,必威体育(中国)自控

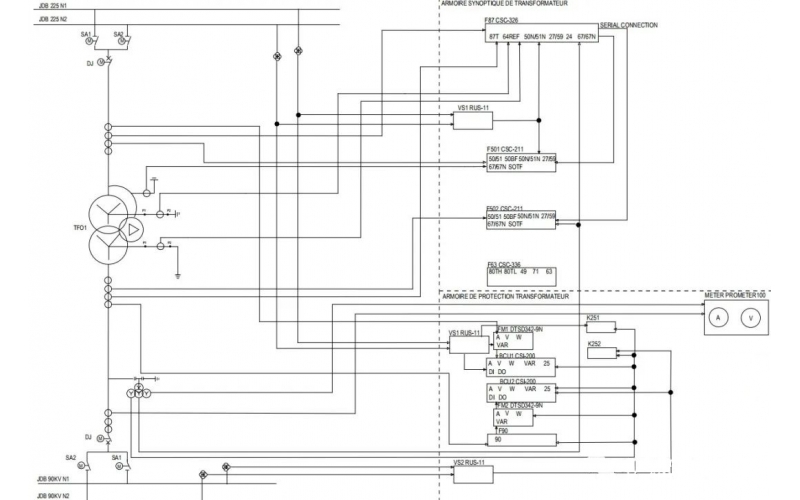
  • 变压器间隔使用225kv母线电压与90kv母线实现检同期的研究知识

    变压器间隔使用225kv母线电压与90kv母线实现检同期的研究知识

    2022-04-28 必威体育在线注册,必威体育(中国)电气

  • 锅炉运行分析经验知识分享

    运行分析就是以机组的安全经济运行为主要目标,根据所掌握的技术资料,运用科学的方法,针对设备(或系统)运行中的各项参数变化来分析设备(或系统)的安全经济性能及其发展变化规律,从而及早发现设备(或系统)的异常及事故隐患,或找出设备(或系统)的最佳启停方案以及最佳运行工况。 运行分析是运行值班人员掌握设备性能及其薄弱环节、掌握事故发生的变化规律,确保安全生产、提高安全意识和岗位运行技术素质的重要措施。通过运行分析,可以了解发生异常的前因后果,做好事故预想,防范可能发生的事故,也为检修部门处理异常缺陷提供方便。

    2022-04-27 必威体育在线注册,必威体育(中国)设备

  • 触摸屏显示器常见故障维修处理知识

    触摸屏显示器常见故障维修处理知识

    2022-04-07 必威体育在线注册,必威体育(中国)

  • 电磁流量计检修校验

    根据法拉第电磁感应定律,导体在磁场中运动时,会产生感应电压。在电磁测量原理中,流动的介质相当于运动的导体。感应电压与介质流速成比例关系。两个测量电极检测感应电压,并将其传输至信号放大器。基于管道横截面积,计算出介质的体积流量。极性交替变换的开关直流电产生直流(DC)磁场

    2022-03-24 必威体育在线注册,必威体育(中国)

上一页1...17181920212223下一页 转至第
首页
产品
新闻
联系